Palang DONGYANG chính hãng hàn quốc
– Palang dongyang do công ty DONGYANG HOIST CRANE có địa chỉ tại: 56-25, SainJimoi-ro, Daegot-myeon, Gimpo-si, Gyeonggi-do, Korea sản xuất, chế tạo và phân phối trên toàn thế giới.
– So với các thiết bị nâng khác, thì palang dongyang mới được nhâp khẩu và lắp đặt tại thị trường việt nam từ khoảng những năm 2006 trở lại đây
– Tuy sinh sau, đẻ muộn hơn so với các đàn anh như: Bando, Hyundai, SamSung, LGM thì cậu em này lại hội tủ đầy đủ các tinh hoa mà các đàn anh để lại.
– Đặc biệt Palang DONGYANG Hàn Quốc sử dụng Động cơ vỏ NHÔM giúp tản nhiệt nhanh, tăng tuổi thọ cho động cơ thay vì dùng vỏ Gang thoát nhiệt kém và nặng nề như các hãng palang đàn anh khác.
– Tuy chất lượng và sở hữu nhiều công nghệ tiên tiến như vậy nhưng giá palang dongyang lại vô cùng mềm để khách hàng lựa chọn lắp mới hoặc thay thế các dòng palang cũ đang sử dụng.
Các loại palang dongyang
Palang dongyang dầm đơn
Loại này chuyên dùng cho cầu trục, cổng trục dầm đơn có tải trọng nâng hạ trung bình từ 1 tấn đến 20 tấn.
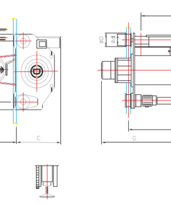
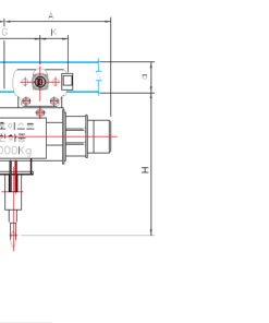
Được thiết kế để treo dưới dầm chữ I hoặc dầm hộp, cấu tạo gồm: 1 tang cuốn, cáp tải, 1 động cơ nâng hạ, 1 động cơ di chuyển xe con, 1 cụm móc loại 2 pully hoặc 4 pully
kèm theo các thiết bị điện, điều khiển, thiết bị giới hạn tải trọng, giới hạn hành trình. Tay bấm điều khiển đi kèm thường là loại 6 nút + dừng khẩn.


Palang dongyang dầm đôi
Palang sungdo dầm đôi là thiết bị chuyên dùng cho cầu trục, cổng trục dầm đôi có tải trọng lớn, chế độ làm việc liên tục nên đòi hỏi tính ổn định và kết cấu cao được thiết kế đặt trên 1 hệ khung di chuyển 4 bánh xe.
Tải trọng tiêu chuẩn đa dạng từ 2 tấn đến trên 70 tấn. Chiều cao nâng tiêu chuẩn 12 mét đến 40 mét.


Ngoài ra, DONGYANG còn sản xuất các loại palang phi tiêu chuẩn và làm việc trong điều kiện đặc biệt như:
Palang Dongyang kiểu mẹ bồng con
Palang kiểu hai móc nâng hạ nầy được cấu tạo 2 móc, 1 móc chính tải trọng lớn và 1 móc phụ tải trọng trung bình hay nhỏ.
Loại kiểu mẹ bồng con này có ưu điểm dùng chung để cẩu nhiều loại tải trọng từ nhẹ cho đến nặng, giúp tăng hiệu suất làm việc, giảm chi phí điện năng tiêu thụ
không cần phải đầu tư 2 loại cầu trục trong cùng 1 nhà xưởng. Tải trọng tiêu chuẩn đa dạng từ 7.5/3 tấn – 70/30 tấn, chiều cao nâng tiêu chuẩn 12 mét đến 40 mét.
Palang sungdo phòng chống cháy nổ
Đây là loại palang được thiết kế lắp ráp và sản xuất theo tiêu chuẩn chống cháy nổ, để có thể sử dụng cho công việc an toàn trong khu vực chống cháy nổ như nhà máy hóa chất và nhà máy xử lý khí đốt..
Ngoài ra các thông số kỹ thuật của palang chống cháy nổ cũng giống như palang thông thường. Tải trọng tiêu chuẩn đa dạng từ 0.5 tấn – 30 tấn, chiều cao nâng tiêu chuẩn 6 mét đến 40 mét.
Palang Dongyang dành cho phòng sạch
Đây là loại palang được thiết kế để tất cả các bộ phận được sản xuất và lắp ráp cho phòng sạch như phòng bán dẫn, quang học, thiết bị chính xác và các ngành công nghiệp điện tử đòi hỏi độ sạch cao.
Tải trọng tiêu chuẩn từ 0.5 tấn – 10 tấn với chiều cao nâng hạ từ 6 mét đến 40 mét.
Palang SUNGDO luôn đáp ứng từng nhu cầu sử dụng của khách hàng, giúp khách hàng tối ưu chi phí đầu tư ban đầu và giúp quá trình hoạt động sản xuất hiệu quả nhất.
>>> Xem thêm: Catalogue Palang Dongyang







